Каталог товаров

Вентилятор радиальный ВРН специального назначения

Радиальные вентиляторы серии ВРН с загнутыми назад лопатками специальной формы с рабочим колесом левого или правого вращения в исполнении Ex1 разработаны для перемещения газопаровоздушных смесей IIА и IIВ категорий.
СДЕЛАНО В РОВЕН
Описание товара
Характеристики моделей
Купить

Описание 

  • Модернизированные радиальные вентиляторы низкого давления с увеличенным выходным фланцем прямоугольной формы и повышенным КПД 

Конструктив 

  • Корпус в виде улитки
  • Углы поворота корпуса: 0°, 45°, 90°, 270°, 315°
  • Левое (Л) или правое (Пр) направление вращения рабочего колеса/положение корпуса
  • Типы рабочих колес с загнутыми назад лопатками: РК920, РК925, РК930
  • Материалы корпуса и рабочего колеса зависят от исполнения

Двигатель 

  • Трехфазный асинхронный электродвигатель
  • Степень защиты электродвигателя не ниже IP 54

Условия эксплуатации 

  • Климатическое исполнение по ГОСТ 15150-69: У2 (для эксплуатации под навесом). Допускается эксплуатация в У1 (на открытом воздухе) при комплектации кожухом электродвигателя или двигателем У1
  • Температура окружающей среды от -45°С до +40°С
  • Перемещаемая среда не должна содержать:
- липких веществ, волокнистых материалов, пыли и других твердых примесей в концентрации 100 мг/м3
- взрывоопасных веществ под избыточным давлением или нагревающихся выше температуры их самовоспламенения;
- пары и газы, вызывающие ускоренную коррозию материалов и покрытий указанных исполнений
  • Для изделий из нержавеющей стали (К1) не допускается контакт с сильными восстановителями (щелочи), сильными окислителями (кислоты) и морской водой
  • Для изделий из алюминиевых сплавов (Ex2) не допускается контакт с окислами железа
Таблица исполнений

Исполнение

Температура перемещаемой среды, °С

Материал

Назначение

Маркировка взрывозащиты*

Группы взрывоопасной среды

Классы взрывоопасных зон помещения

Теплостойкое

Т200

от -45 до +200

Оцинкованная/ Углеродистая сталь

Для перемещения воздуха и других газопаровоздушных смесей,с максимальной температурой до +200 °С

-

-

-

Коррозионностойкое теплостойкое

К1Т200

от -45 до +200

Нержавеющая сталь

Для перемещения агрессивных невзрывоопасных воздушных смесей

-

-

-

Коррозионностойкое

К1

от -45 до +80

-

-

-

Взрывозащищенное

Ex1

от -45 до +80

Углеродистая/ оцинкованная сталь, латунь

Для применения в потенциально взрывоопасной газовой среде категорий IIА, IIВ, IIС (кроме взрывоопасных смесей с воздухом: коксового газа категории IIВ группы Т1; окиси пропилена, окиси этилена, формальдегида, этилтрихлорэтилена, этилена категории IIВ группы Т2; винилтрихлорсилена, этилхлорсилена категории IIB группы Т3)

1Ех h IIС Т4 Gb Х

1Ех h IIВ Т4 Gb Х

Т4

1 и 2

Взрывозащищенное

Ex2

от -45 до +80

Алюминиевые сплавы

1Ех h IIС Т4 Gb Х

1Ех h IIВ Т4 Gb Х

Т4

1 и 2

Взрывозащищенное теплостойкое

Ex1Т200

от -45 до +200

Углеродистая/ оцинкованная сталь, латунь

1Ех h IIС Т2 Gb Х

1Ех h IIВ Т2 Gb Х

Т2

1 и 2

Взрывозащищенное коррозионностойкое

ExК1

от -45 до +80

Нержавеющая сталь/ латунь

1Ех h IIС Т4 Gb Х

1Ех h IIВ Т4 Gb Х

Т4

1 и 2

Взрывозащищенное коррозионностойкое теплостойкое

ExК1Т200

от -45 до +200

Нержавеющая сталь/ латунь

1Ех h IIС Т2 Gb Х

1Ех h IIВ Т2 Gb Х

Т2

1 и 2


* Подгруппа газа IIC или IIB зависит от подгруппы газа применяемого комплектующего оборудования (электродвигателя).

Дополнительная комплектация*

ВРН_спец_доп.jpg

1 - Вставка гибкая круглая ВГК-ВРН/ВРВ
2 - Вставка гибкая прямоугольная ВГП-ВРН/ВРВ
3 - Козырёк защитный Козырек-ВРН/ВРВ
4 - Решетка защитная БАСКЕТ-ВРН/ВРВ
5 - Кожух ЭД-ВРН/ВРВ
6 - Виброизоляторы

Дополнительные комплектующие в комплект поставки не входят.

Полная информация о вентиляторах ВРН специального исполнения в электронном pdf-каталоге по ссылке во вкладке "Характеристики".



Файлы
Вентиляторы радиальные ВРН специального назначения.pdf

Габаритные и присоединительные размеры, мм

ВРН_спец_габариты 1.jpg

Наименование

А2

В max*

В1

D

D1

d

d1

a

а1

а2

h

h1

h2

h3

n

n1

n2

k

k1

ВРН-2,5

85,5

500

180

250

289

9,5

11

325

346

-

177

198

-

-

4

-

8

-

-

ВРН-2,8

102

537

191

280

309

9,5

11

362

383

-

201

222

-

-

4

-

8

-

-

ВРН-3,15

115

600

200

315

349

9,5

11

397

420

-

218

240

-

-

4

-

8

-

-

ВРН-3,55

128

690

219

355

384

9,5

11

455

475

-

252

272

-

-

4

-

8

-

-

ВРН-4,0

145

741

236

400

434

9,5

11

513

533

-

284

304

-

-

4

-

8

-

-

ВРН-4,5

163

919

254

450

479

9,5

11

575

595

-

321

341

-

-

4

-

8

-

-

ВРН-5,0

178

792

271

500

534

11

11

644

673

-

356

385

-

-

4

-

16

-

-

ВРН-5,6

200

869

291

560

589

11

11

720

749

-

397

426

-

-

4

-

16

-

-

ВРН-6,3

230,5

987

349

630

665

11

11

802

831

-

444

473

-

-

4

-

16

-

-

ВРН-7,1

259

1195

406

710

739

12,5

11

901

930

-

500

529

-

-

4

-

16

-

-

ВРН-8,0

297

1392

437

800

829

12,5

11

1010

1039

-

566

595

-

-

4

-

16

-

-

ВРН-9,0

335

1500

475

900

938

-

11

1132

1184

148

636

691

138,2

138,2

-

26

16

8

3

ВРН-10,0

366

1520

513

1000

1030

-

11

1270

1322

165,3

706

761

152,2

152,2

-

26

16

8

3

ВРН-11,2

408,5

1629

551

1120

1164

-

11

1425

1477

147,7

787

842

167

170,5

-

30

16

10

3

ВРН-12,5

461,5

1875

600

1250

1280

-

11

1594

1646

164,6

880

935

155,8

155,9

-

32

16

10

4

* Максимальный размер по самому большому двигателю в соответствующем типоразмере вентилятора.

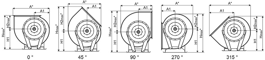
Габаритные и присоединительные размеры вентиляторов в зависимости от положения корпуса ВРН

ВРН_спец_габариты 2.jpg

Наименование

А*

А1

H max*

H1

H2 max*

45°

90°

270°

315°

45°

90°

270°

315°

45°

90°

270°

315°

45°

90°

270°

315°

45°

90°

270°

315°

ВРН-2,5

456

432

402

402

522

188

198

183

183

318

423

558

508

528

538

240

240

240

340

340

183

318

268

188

198

ВРН-2,8

517

483

456

456

592

215

215

206

206

359

516

669

612

565

565

310

310

310

350

350

206

359

302

215

215

ВРН-3,15

572

531

504

504

655

237

233

226

226

396

536

706

645

650

642

310

310

310

410

410

226

396

335

240

232

ВРН-3,55

646

598

565

565

735

270

261

251

251

443

601

793

726

720

711

350

350

350

450

450

251

443

376

270

261

ВРН-4,0

723

675

642

642

830

303

297

290

290

501

680

891

810

773

767

390

390

390

470

470

290

501

420

303

297

ВРН-4,5

810

756

721

721

930

340

331

325

325

562

760

997

905

875

866

435

435

435

535

535

325

562

470

340

331

ВРН-5,0

906

840

790

790

1029

377

369

350

350

621

860

1130

1038

957

949

510

510

510

580

580

350

620

528

377

369

ВРН-5,6

1010

932

880

880

1146

422

406

388

388

689

957

1260

1160

1090

1071

570

570

570

665

665

387

690

590

425

406

ВРН-6,3

1136

1038

984

984

1285

476

443

429

429

769

1054

1394

1285

1222

1189

625

625

625

746

746

429

769

660

476

443

ВРН-7,1

1273

1157

1102

1102

1438

534

490

479

479

860

1204

1585

1463

1379

1339

725

725

725

845

845

479

860

738

534

494

ВРН-8,0

1435

1308

1239

1239

1619

604

554

535

535

965

1331

1760

1625

1499

1449

795

795

795

895

895

536

965

830

604

554

ВРН-9,0

1631

1513

1429

1429

1857

688

632

600

600

1091

1482

1981

1832

1698

1642

890

890

890

1010

1010

592

1091

942

688

632

ВРН-10,0

1826

1732

1591

1591

2067

764

744

670

670

1211

1640

2181

2032

1864

1844

970

970

970

1100

1100

670

1211

1062

764

744

ВРН-11,2

2041

1946

1779

1779

2313

855

830

735

735

1342

1805

2412

2257

2074

2050

1070

1070

1070

1220

1220

735

1342

1187

854

830

ВРН-12,5

2283

2123

1959

1959

2571

959

903

813

813

1494

1993

2674

2504

2339

2283

1180

1180

1180

1380

1380

813

1494

1324

959

903

* Максимальный размер при различных положениях корпуса.

Габаритные и присоединительные размеры основания рамы вентиляторов ВРН

ВРН_спец_габариты 3.jpg

Наименование

С

С1

С2

bxl

K

K1

n3

ВРН-2,5

295

330

71

8х18

70

-

8

ВРН-2,8

295

365

80

8х18

75

-

8

ВРН-3,15

332,5

395

60

8х18

75

-

8

ВРН-3,55

360

480

104

8х18

90

-

8

ВРН-4,0

396

525

128

8х27

90

-

8

ВРН-4,5

424

660

140

11х30

100

-

8

ВРН-5,0

525

695

160

11х22

100

-

8

ВРН-5,6

550

740

180

11х22

100

-

8

ВРН-6,3

550

830

210,3

11х22

110

-

8

ВРН-7,1

710

750

209

11х22

125

-

8

ВРН-8,0

800

845

221

11х22

125

-

8

ВРН-9,0

870

950

256

11х22

130

153

11

ВРН-10,0

958

960

227

11х22

130

213

11

ВРН-11,2

1048

920

246

11х22

180

354

15

ВРН-12,5

1230

1030

235

11х22

180

266

15

Технические характеристики

Наименование

N, кВт

n,

об/мин

Ток при 380В, А

Габарит эл. двигателей

АИР/АИМЛ**

Масса max, кг

Общий дБа

Виброопора

тип ЕС (А)

кол-во

тип

ВРН-2,5-Х*-РК925-0,37/3000/220-380

0,37

2755

1,01

63

21,1

72

4

20*25(А) М6

ВРН-2,5-Х*-РК930-0,55/3000/220-380

0,55

2790

1,38

63

22,5

68

4

20*25(А) М6

ВРН-2,8-Х*-РК920-0,55/3000/220-380

0,55

2790

1,38

63

23,6

77

4

20*25(А) М6

ВРН-2,8-Х*-РК925-0,55/3000/220-380

0,55

2790

1,38

63

23,7

76

4

20*25(А) М6

ВРН-2,8-Х*-РК930-0,75/3000/220-380

0,75

2840

1,83

71

25,4

73

4

20*25(А) М6

ВРН-3,15-Х*-РК920-1,1/3000/220-380

1,1

2840

2,63

71

30,9

82

4

20*25(А) М6

ВРН-3,15-Х*-РК925-1,1/3000/220-380

1,1

2840

2,63

71

30,9

81

4

20*25(А) М6

ВРН-3,15-Х*-РК930-1,5/3000/220-380

1,5

2850

3,46

80

39,6

77

4

20*25(А) М6

ВРН-3,55-Х*-РК925-0,25/1500/220-380

0,25

1340

0,87

63

31,4

74

4

20*25(А) М6

ВРН-3,55-Х*-РК930-0,37/1500/220-380

0,37

1340

1,18

63

33,4

74

4

20*25(А) М6

ВРН-3,55-Х*-РК920-2,2/3000/220-380

2,2

2855

4,85

80

45,5

86

4

20*25(А) М6

ВРН-3,55-Х*-РК925-2,2/3000/220-380

2,2

2855

4,85

80

45,6

86

4

20*25(А) М6

ВРН-3,55-Х*-РК930-3,0/3000/220-380

3,0

2860

6,35

90

59,8

82

4

20*20(А) М6

ВРН-4,0-Х*-РК920-0,37/1500/220-380

0,37

1340

1,18

63

44,2

77

4

20*25(А) М6

ВРН-4,0-Х*-РК925-0,37/1500/220-380

0,37

1340

1,18

63

44,3

78

4

20*25(А) М6

ВРН-4,0-Х*-РК930-0,55/1500/220-380

0,55

1390

1,66

71

50,1

78

4

20*25(А) М6

ВРН-4,0-Х*-РК920-3,0/3000/220-380

3,0

2860

6,35

90

66,4

91

4

25*30(А) М6

ВРН-4,0-Х*-РК925-5,5/3000/220-380

5,5

2900

11,1

100

78,5

90

4

25*30(А) М6

ВРН-4,0-Х*-РК930-5,5/3000/220-380

5,5

2900

11,1

100

78,5

86

4

25*30(А) М6

ВРН-4,5-Х*-РК920-0,75/1500/220-380

0,75

1390

2,11

71

76,7

82

4

25*30(А) М6

ВРН-4,5-Х*-РК925-0,75/1500/220-380

0,75

1390

2,11

71

76,7

83

4

25*30(А) М6

ВРН-4,5-Х*-РК930-1,1/1500/220-380

1,1

1390

2,85

80

85,3

83

4

25*20(А) М6

ВРН-4,5-Х*-РК920-7,5/3000/220-380

7,5

2895

14,9

112

119

95

4

30*25(А) М8

ВРН-4,5-Х*-РК925-7,5/3000/220-380

7,5

2895

14,9

112

119

94

4

30*25(А) М8

ВРН-4,5-Х*-РК930-11,0/3000/380-660

11,0

2900

21,86

132

149,4

90

4

30*20(А)М8

ВРН-5,0-Х*-РК920-0,37/1000/220-380

0,37

880

1,39

71

78,3

78

4

25*30(А) М6

ВРН-5,0-Х*-РК925-0,55/1000/220-380

0,55

880

1,79

71

79

79

4

25*30(А) М6

ВРН-5,0-Х*-РК930-0,55/1000/220-380

0,55

880

1,79

71

81,4

80

4

25*30(А) М6

ВРН-5,0-Х*-РК920-1,5/1500/220-380

1,5

1400

3,72

80

88,8

86

4

25*20(А) М6

ВРН-5,0-Х*-РК925-1,5/1500/220-380

1,5

1400

3,72

80

88,8

87

4

25*20(А) М6

ВРН-5,0-Х*-РК930-2,2/1500/220-380

2,2

1410

5,3

90

97,3

87

4

25*20(А) М6

ВРН-5,6-Х*-РК920-0,55/1000/220-380

0,55

880

1,79

71

93,4

82

4

25*20(А) М6

ВРН-5,6-Х*-РК925-0,75/1000/220-380

0,75

905

2,3

80

101,3

83

4

30*30(А) М8

ВРН-5,6-Х*-РК930-1,1/1000/220-380

1,1

905

3,2

80

105,5

84

4

30*30(А) М8

ВРН-5,6-Х*-РК920-2,2/1500/220-380

2,2

1410

5,3

90

110,7

90

4

30*30(А) М8

ВРН-5,6-Х*-РК925-2,2/1500/220-380

2,2

1410

5,3

90

110,7

91

4

30*30(А) М8

ВРН-5,6-Х*-РК930-3,0/1500/220-380

3,0

1410

6,8

100

120,3

91

4

30*25(А) М8

ВРН-6,3-Х*-РК920-1,1/1000/220-380

1,1

905

3,2

80

136,4

86

4

30*20 (A) М8

ВРН-6,3-Х*-РК925-1,5/1000/220-380

1,5

920

4,29

90

145,7

87

4

25*10 (A) М6

ВРН-6,3-Х*-РК930-1,5/1000/220-380

1,5

920

4,29

90

150

88

4

25*10 (A) М6

ВРН-6,3-Х*-РК920-4,0/1500/220-380

4,0

1435

8,8

100

155,6

95

4

25*10 (A) М6

ВРН-6,3-Х*-РК925-5,5/1500/220-380

5,5

1440

11,7

112

166,2

96

4

30*15 (A) М8

ВРН-6,3-Х*-РК930-7,5/1500/380-660

7,5

1450

15,71

132

175,1

96

4

40*40 (A) М8

ВРН-7,1-Х*-РК920-1,1/750/220-380

1,1

680

3,36

90

189,1

84

4

40*40(A) М8

ВРН-7,1-Х*-РК925-1,5/750/220-380

1,5

690

4,4

100

200,6

85

4

40*40(A) М8

ВРН-7,1-Х*-РК930-1,5/750/220-380

1,5

690

4,4

100

200,6

86

4

40*40(A) М8

ВРН-7,1-Х*-РК920-2,2/1000/220-380

2,2

935

5,6

100

198,8

90

4

40*40(A) М8

ВРН-7,1-Х*-РК925-2,2/1000/220-380

2,2

935

5,6

100

198,8

91

4

40*40(A) М8

ВРН-7,1-Х*-РК930-3,0/1000/220-380

3,0

960

7,64

112

217

93

4

40*30(A) М10

ВРН-7,1-Х*-РК920-7,5/1500/380-660

7,5

1450

15,71

132

240,3

99

4

40*30(A) М10

ВРН-7,1-Х*-РК925-11,0/1500/380-660

11,0

1460

22,78

132

252,3

100

4

40*30(A) М10

ВРН-7,1-Х*-РК930-15,0/1500/380-660

15,0

1460

30

160

302,3

100

4

50*50(A) М10

ВРН-8,0-Х*-РК920-1,5/750/220-380

1,5

690

4,4

100

306,1

88

4

40*40(A) М8

ВРН-8,0-Х*-РК925-2,2/750/220-380

2,2

710

6,16

112

309,9

89

4

40*30(A) М10

ВРН-8,0-Х*-РК930-2,2/750/220-380

2,2

710

6,16

112

319,2

90

4

40*30(A) М10

ВРН-8,0-Х*-РК920-4,0/1000/220-380

4,0

960

9,75

112

320,2

95

4

40*30(A) М10

ВРН-8,0-Х*-РК925-5,5/1000/380-660

5,5

960

12,9

132

340,5

96

4

40*30(A) М10

ВРН-8,0-Х*-РК930-5,5/1000/380-660

5,5

960

12,9

132

350,7

97

4

40*30(A) М10

ВРН-8,0-Х*-РК920-15,0/1500/380-660

15,0

1460

30

160

447,5

104

4

50*50(A) М10

ВРН-8,0-Х*-РК925-18,5/1500/380-660

18,5

1470

36,3

160

417,5

104

4

50*45(A) М10

ВРН-8,0-Х*-РК930-22,0/1500/380-660

22,0

1470

43,2

180

479,7

104

4

50*45(A) М10

ВРН-9,0-Х*-РК920-3,0/750/220-380

3,0

710

8,15

112

323,7

92

4

50*45(A) М10

ВРН-9,0-Х*-РК925-3,0/750/220-380

3,0

710

8,15

112

323,7

93

4

50*45(A) М10

ВРН-9,0-Х*-РК930-4,0/750/380-660

4,0

720

10,47

132

359,7

95

4

50*45(A) М10

ВРН-9,0-Х*-РК920-7,5/1000/380-660

7,5

970

17,2

132

368,2

99

4

50*40(A) М10

ВРН-9,0-Х*-РК925-11,0/1000/380-660

11,0

970

24,5

160

407,2

101

4

50*30(A) М10

ВРН-9,0-Х*-РК930-11,0/1000/380-660

11,0

970

24,5

160

415,3

102

4

50*30(A) М10

ВРН-9,0-Х*-РК920-30,0/1500/380-660

30,0

1470

57,6

180

479,2

108

6

60*45(A) М12

ВРН-9,0-Х*-РК925-30,0/1500/380-660

30,0

1470

57,6

180

479,2

108

6

60*45(A) М12

ВРН-9,0-Х*-РК930-37,0/1500/380-660

37,0

1475

70,2

200

568,4

108

6

60*40(A) М12

ВРН-10,0-Х*-РК920-5,5/750/380-660

5,5

720

13,83

132

507

96

6

60*40(A) М12

ВРН-10,0-Х*-РК925-7,5/750/380-660

7,5

720

18,17

160

553

98

6

60*40(A) М12

ВРН-10,0-Х*-РК930-7,5/750/380-660

7,5

720

18,17

160

604,8

99

6

60*40(A) М12

ВРН-10,0-Х*-РК920-15,0/1000/380-660

15,0

970

31,6

160

580

103

6

60*60(A) М12

ВРН-10,0-Х*-РК925-18,5/1000/380-660

18,5

980

38,6

180

608

104

6

60*50(A) М12

ВРН-10,0-Х*-РК930-18,5/1000/380-660

18,5

980

38,6

180

660,7

105

6

60*50(A) М12

ВРН-11,2-Х*-РК920-11,0/750/380-660

11,0

730

26

160

682

101

6

60*50(A) М12

ВРН-11,2-Х*-РК925-11,0/750/380-660

11,0

730

26

160

682

102

6

60*50(A) М12

ВРН-11,2-Х*-РК930-15,0/750/380-660

15,0

730

35

180

766,5

103

6

60*50(A) М12

ВРН-11,2-Х*-РК920-22,0/1000/380-660

22,0

980

44,7

200

781

107

6

60*50(A) М12

ВРН-11,2-Х*-РК925-30,0/1000/380-660

30,0

980

60

200

783

108

6

60*50(A) М12

ВРН-11,2-Х*-РК930-37,0/1000/380-660

37,0

980

71

225

901,8

110

6

70*60(A) М10

ВРН-12,5-Х*-РК920-15,0/750/380-660

15,0

730

35

180

888,2

104

10

70*60(A) М10

ВРН-12,5-Х*-РК925-22,0/750/380-660

22,0

730

48,9

200

946,3

106

10

70*60(A) М10

ВРН-12,5-Х*-РК930-22,0/750/380-660

22,0

730

48,9

200

965,2

107

10

70*60(A) М10

ВРН-12,5-Х*-РК920-37,0/1000/380-660

37,0

980

71

225

1090,1

112

10

75*50(A) М12

ВРН-12,5-Х*-РК925-55,0/1000/380-660

55,0

980

104

250

1212,8

113

10

75*50(A) М12

ВРН-12,5-Х*-РК930-75,0/1000/380-660

75,0

985

142

280

1392

114

10

75*40(A) М12


* В этом месте необходимо указать исполнение вентилятора: Т200, К1, К1Т200, Ex1, Ex2, ExК1, Ex1Т200, ExК1Т200.
** АИМЛ для вентиляторов во взрывозащищенном исполнении (Ex1, Ex2, ExК1, Ex1Т200, ExК1Т200).

Электрическая схема подключения

ВРН_спец_элсхемы.jpg

ВРН_спец_маркировка.jpg


Не представленные в наличии модели доступны к поставке под заказ

Оповестить о поступлении

Спасибо за обращение!
Наш менеджер свяжется с вами.

Всю необходимую информацию также можно получить по телефону «горячей линии»

+ 7 800 200 93 96

или по телефону

+7 800 505 08 67 получить консультацию