Клапан дымоудаления ДМУ с реверсивым приводом
Клапан дымоудаления предназначен для открывания проемов вытяжных систем аварийной противодымной вентиляции. Клапан устанавливается в проемах стен, перекрытий, подвесных потолков, а также в торце воздуховодов.
Клапан ДМУ (далее клапан) используется в качестве клапана дымоудаления с нормально закрытой заслонкой.
Клапан предназначен для открывания проемов вытяжных систем аварийной противодымной вентиляции.
Применение клапана осуществляется в соответствии с требованиями СП 60.13330.2012, CП 7.13130.2013, ГОСТ Р 53301-2013 и действующими территориальными строительными нормами.
Вид климатического исполнения и категория размещения - УЗ по ГОСТ 15150-69. Клапан не подлежит установке в помещениях категорий А и Б по взрывопожароопасности, в системах вентиляции и местах отсоса взрывопожароопасных и агрессивных сред, а также в системах, не подвергающихся очистке от горючих отложений.
Пределы огнестойкости клапана ДМУ – E90.
Режим работы клапана ДМУ – нормально закрытый (НЗ).
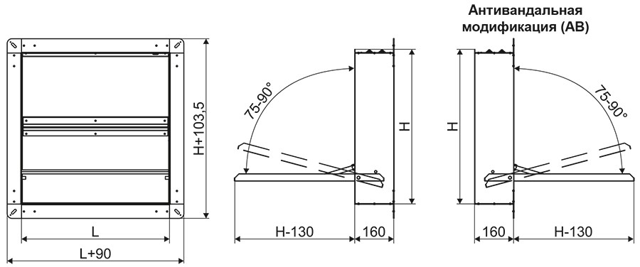
Угол наклона заслонки – 75-90°.
Клапан ДМУ изготавливается из оцинкованной стали и реверсивным (Р) приводом производства РОВЕН.
По отдельному запросу рассматривается возможность изготовления клапанов в антивандальной модификации с указанием в наименовании (АВ).
Габаритные и присоединительные размеры (мм)

Минимальный размер клапана (L*H) - 300*300 мм, далее с шагом 50 мм в соответствии с таблицами типоразмерного ряда и значения площади живого сечения клапанов ДМУ.
Максимальный размер (L*H) - 2000*1400 мм.
Клапан ДМУ в антивандальной (АВ) модификации - это специальная конструкция, которая защищает привод от несанкционированного доступа, повреждений и неблагоприятных внешних условий. В отличие от стандартных клапанов, где привод обычно виден с лицевой стороны, в антивандальной модификации привод располагается за створкой клапана, скрытый от посторонних глаз.
Скрытый привод делает клапан более привлекательным внешне, так как он не имеет видимых механических элементов.
Клапан ДМУ в антивандальной (АВ) модификации рекомендуется использовать в местах с повышенным риском вандализма, например:
- общественные здания (школы, больницы);
- транспортные узлы (аэропорты, вокзалы, метро);
- промышленные предприятия (цеха, склады, производственные помещения).
Способы управления заслонкой клапана ДМУ
|
Тип привода |
Принцип срабатывания привода |
Механизм перевода заслонки |
Способ перевода заслонки |
||
|
В рабочее положение |
В исходное положение |
Из рабочего положения в исходное (многократное использование) |
Из исходного положения в рабочее |
||
|
Р |
Подача напряжения на соответствующие клеммы питания привода |
электропривод |
электропривод |
дистанционный с пульта управления |
автоматический, по сигналам пожарной автоматики; дистанционный с пульта управления; от кнопки/тумблера в месте установки клапана |
|
вручную |
|||||
Расположение реверсивного электропривода (Р) – по высоте клапана (H).
Длина (L) цельного клапана должна быть больше высоты (H).

Схемы установки клапанов

Стрелками показано направление удаления продуктов горения через клапан.
Коэффициент местного сопротивления клапанов ДМУ

Клапаны ДМУ в виде кассет с реверсивным (Р) приводом

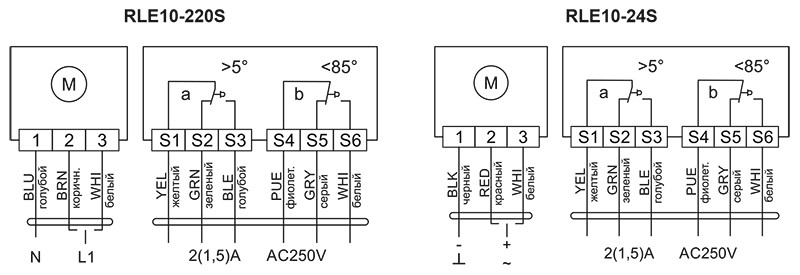
Характеристики реверсивного (Р) привода РОВЕН
|
Характеристика |
RLE10-220S |
RLE10-24S |
|
|
Время поворота, с, не более |
30 |
30 |
|
|
Крутящий момент, Нм |
10 |
10 |
|
|
Напряжение электропитания привода, В |
220 |
24 |
|
|
Потребляемая мощность, Вт |
во время вращения |
4,0 |
4,0 |
|
в состоянии покоя |
3,0 |
3,0 |
|
|
Рабочая температура, °С |
-30...+50 |
-30...+50 |
|
|
Степень защиты |
IP54 |
IP54 |
|
|
Масса, кг |
1,8 |
1,8 |
|
* Полная информация по электроприводам РОВЕН в разделе «Электропривод РОВЕН».
Электрические схемы подключения клапанов ДМУ с реверсивным (Р) приводом

Типоразмерный ряд и значения площади живого сечения клапанов ДМУ с реверсивным (Р) приводом

Примечание:
1) Исполнения 2, 3, 4 - клапан с двумя заслонками; исполнение 5 - клапан с четырьмя заслонками.
2) Клапаны, размеры которых превышают указанные в таблице, конструируются индивидуально.

Не представленные в наличии модели доступны к поставке под заказ
Всю необходимую информацию также можно получить по телефону «горячей линии»
+ 7 800 200 93 96или по телефону
+7 800 505 08 67 получить консультацию